OEM RF Glass Insulator Supplier

Ningbo Hanson Communication Technology Co, Ltd. Home / Mga produkto / Hermetically seal series / RF Glass Insulator

RF Glass Insulator

Paglalarawan:

Ang mga insulator ng salamin ay gumagamit ng isang salamin na istraktura ng salamin na may mahusay na pagganap ng sealing. Maaari silang magamit gamit ang mga konektor ng alon ng milimetro tulad ng SMA at 2.92, at maaari ring direktang magamit sa pagitan ng mga PCB board, template, at mga template at sangkap. Gumagamit ito ng baso (dielectric na pare -pareho ay tungkol sa 4.0) bilang ang insulating medium material, at ang panloob at panlabas na conductor ay gawa sa Kovar alloy material. Matapos ang high-temperatura na sintering, ang ibabaw ay nikel na may ginto. Ang mga insulator ng salamin ay may mga pakinabang ng maliit na sukat, magaan na timbang, airtightness, at mataas na pagiging maaasahan. Karamihan sa mga ito ay ginagamit sa mga okasyon na may mga kinakailangan sa sealing, o mga kinakailangan para sa dami ng produkto at timbang. Ang mga ito ay angkop para sa masinsinang pag -install. Ang panloob na conductor ay maaaring konektado sa iba't ibang mga paraan, tulad ng plug-in, pag-mount sa ibabaw, hinang, at bonding ng gintong kawad.

Magtanong

Pangunahing istraktura:
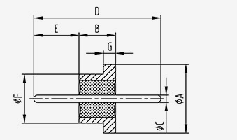
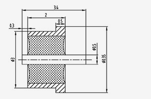
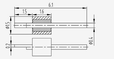
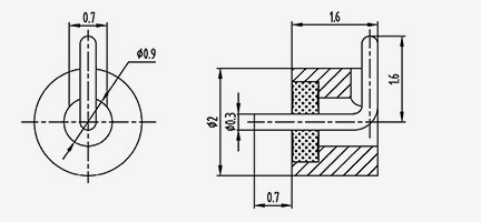
Karaniwang binubuo ang glass insulator ng tatlong bahagi: panlabas na conductor, glass medium at panloob na conductor, at ang pangunahing istraktura nito ay ipinapakita sa sumusunod na figure.

Mga pagtutukoy sa teknikal at mga pagsubok sa pagiging maaasahan:

Mga katangian ng elektrikal
Katangian impedance 50Ω o iba pa Frequency Range DC ~ 65GHz
Dielectric na may natitirang boltahe ≥500v Paglaban sa pagkakabukod ≥5000m Ω
Makipag -ugnay sa contact Panloob na conductor≤3m Ω Boltahe VSWR (50Ω) ≤ 1.05 0.008F (F: GHz)
Panlabas na conductor ≤2m Ω Pagkawala ng pagpasok ng RF (50Ω) ≤0.05 √ f (f: GHz)
Materyal at mekanikal, mga katangian ng kapaligiran
Outer conductor Delegable Alloys Rate ng pagtagas ng hangin 1.01*10 -9 Pa.M 3 /S
Inner conductor Nakakahiya na haluang metal Temperatura ng pagpapatakbo -65 ~ 165
Daluyan ng pagkakabukod Baso

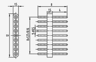
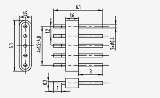
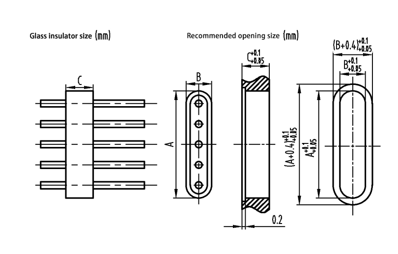
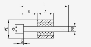
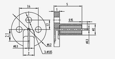
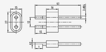
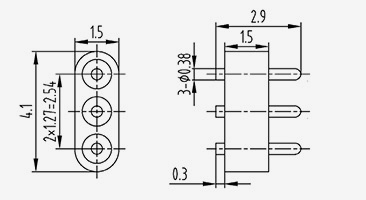
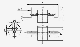
Inirerekumendang mga sukat ng pag -install para sa mga insulators ng salamin
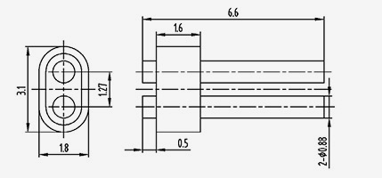
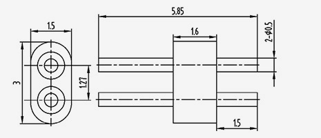
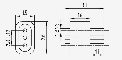
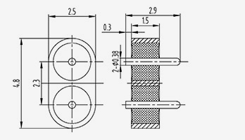
Ang inirekumendang mga sukat ng pagbubukas ng pag -install para sa mga solong core glass insulators ay ipinapakita sa ibaba:

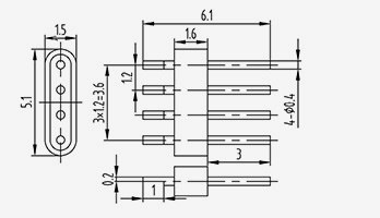
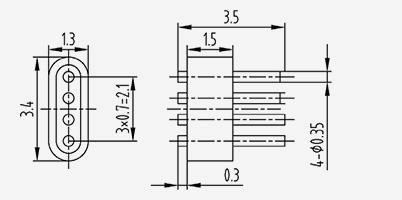
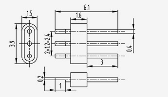
Ang inirekumendang pag-mount ng mga sukat ng pagbubukas para sa mga multi-core glass insulators ay ipinapakita sa ibaba:

Pagsubok sa Elektronikong Pagganap ng Glass Insulator:
50 ohm na katangian ng impedance glass insulators na may karaniwang SMA, 2.92, 2.4, atbp. Ang mga konektor ng alon ng milimetro ay mated sa parehong mga dulo para sa pagsubok sa pagganap ng elektrikal.

RF $ SERIES
  • 50Ω Katangian ng Impedance-Single Core Round Head
    50Ω Katangian ng Impedance-Single Core Round Head
    Modelo Laki (mm)
    A B C D E
    HS1710-0.23 (2.8-0.3) 1.73 1 0.23 2.8 0.3
    HS1710-0.23 (6.2-2.7) 1.73 1 0.23 6.2 2.7
    HS1710A 1.73 1 0.23 3 1
    HS1714-0.23 (2-0.3) 1.73 1.4 0.23 2 0.3
    V1714-0.23 (2.69-0.5) 1.73 1.4 0.23 2.7 0.5
    V1714-0.23 (3.9-1.7) 1.73 1.4 0.23 3.9 1.7
    V1714-0.23 (4.5-1.7) 1.73 1.4 0.23 4.5 1.7
    HS1714-0.23 (3-1.1) 1.73 1.4 0.23 3 1.1
    HSI714E 1.73 1.4 0.23 2.9 1
    HS1714F 1.73 1.4 0.23 2.79 0.9
    HS1715-0.23 (3.2-0.8) 1.73 1.5 0.23 3.2 0.8
    HS1716A 1.73 1.65 0.23 3.4 1
    V1719-0.23 (5.0-1.7) 1.73 1.9 0.23 5 1.7
    V1720-0.23 (3.3-0.5) 1.73 2 0.23 3.3 0.5
    HS1720-0.23 (3.7-1.2) 1.73 2 0.23 3.7 1.2
    V1720-0.23 (4.0-1.0) 1.73 2 0.23 4 1
    HS1720-0.23 (6-2) 1.73 2 0.23 6 2
    V1724-0.23 (3.7-0.5) 1.73 2.4 0.23 3.7 0.5
    HS1724-0.23 (4.5-1.7) $ 1.73 2.4 0.23 4.5 1.7
  • 50Ω Katangian ng Impedance-Single Core Round Head
    50Ω Katangian ng Impedance-Single Core Round Head
    Modelo Laki (mm)
    A B C D E
    V1727-0.23 (4.0-0.5) 1.73 2.7 0.23 4 0.5
    HS1727A 1.73 2.7 0.23 4.7 1
    HS1728-0.23 (4-0.5) 1.73 2.8 0.23 4 0.5
    HS1730-0.23 (4.3-0.5) 1.73 3 0.23 4.3 0.5
    V1730-0.23 (5.0-1.0) 1.73 3 0.23 5 1
    HS1734-0.23-01 1.73 3.4 0.23 5.2 1
    HS1744-0.23-01 1.73 4.4 0.23 6.2 1
    HS1749-0.23 (8.9-2.0) 1.73 4.9 0.23 8.9 2
    HS1751A 1.73 5.1 0.23 5.9 0.4
    HS1756-0.23 (6.6-0.5) 1.73 5.6 0.23 6.6 0.5
    HS1914-0.3 (2.55-0.35) 1.9 1.4 0.3 2.55 0.35
    HS1914-0.3 (3.2-1.1) 1.9 1.4 0.3 3.2 1.1
    HS1914C 1.9 1.4 0.3 3.6 0.7
    HS1914-0.3 (4.4-2) 1.9 1.4 0.3 4.4 2
    HS1914-0.3 (3.2-1.1) 1.9 1.4 0.3 3.2 1.1
    HS1914-0.3 (3.8-1.2) 1.9 1.4 0.3 3.8 1.2
    HS1914-0.3 (4.4-2) 1.9 1.4 0.3 4.4 2
    HS1916-0.3 (4.7-0.8) 1.9 1.6 0.3 4.7 0.8
    HS1916B $ 1.9 1.6 0.3 4.9 0.8
  • 50Ω Katangian ng Impedance-Single Core Round Head
    50Ω Katangian ng Impedance-Single Core Round Head
    Modelo Laki (mm)
    A B C D E
    HS1917-0.3 (3.45-1) 1.9 1.75 0.3 3.45 1
    HS1918-0.3 (5.8-2) 1.9 1.8 0.3 5.8 2
    HS1918-0.3 (7.8-4.2) 1.9 1.8 0.3 7.8 4.2
    HS1918-0.3 (3.5-1) 1.95 1.8 0.3 3.5 1
    HS1934-0.3 (4.6-0.4) 1.9 3.4 0.3 4.6 0.4
    HS2006-0.3 (3.2-2) 2 0.6 0.3 3.2 2
    HS2008-0.3 (1.32-0.26) 2 0.8 0.3 1.32 0.26
    HS2008F 2 0.8 0.3 1.7 0.45
    HS2008-0.3 (1.8-0.3) 2 0.8 0.3 1.8 0.3
    HS2008-0.3 (2.8-1.0) 2 0.8 0.3 2.8 1
    HS2008-0.3 (3.0-1.5) 2 0.8 0.3 3 1.5
    HS2008-0.3 (3.4-0.8) 2 0.8 0.3 3.4 0.8
    HS2008-0.3 (3.6-1.2) 2 0.8 0.3 3.6 1.2
    HS2008-0.3 (5.4-2.6) 2 0.8 0.3 5.4 2.6
    HS2008-0.3 (6-2.6) 2 0.8 0.3 6 2.6
    HS2010-0.3 (2.1-0.7) 2 1 0.3 2.1 0.7
    HS2010-0.3 (2.5-1) 2 1 0.3 2.5 1
    HS2010-0.3 (3.2-1.2) 2 1 0.3 3.2 1.2
    HS2011-0.3 (2.1-0.5) $ 2 1.1 0.3 2.1 0.5
  • 50Ω Katangian ng Impedance-Single Core Round Head
    50Ω Katangian ng Impedance-Single Core Round Head
    Modelo Laki (mm)
    A B C D E
    HS2012A 2 1.2 0.3 3.5 1.2
    HS2012-0.3 (6-1.8) 2 1.2 0.3 6 1.8
    HS2012-0.3 (6.7-1.5) 2 1.2 0.3 6.7 1.5
    HS2013-0.3 (2.3-0.5) 2 1.3 0.3 2.3 0.5
    HS2014-0.3 (1.92-0.26) 2 1.4 0.3 1.92 0.26
    HS2014-0.3 (2.12-0.36) 2 1.4 0.3 2.12 0.36
    HS2014-0.3 (2.4-0.5) 2 1.4 0.3 2.4 0.5
    HS2014D 2 1.4 0.3 3.1 0.45
    HS2014-0.3 (4.4-1.5) 2 1.4 0.3 4.4 1.5
    HS2014-0.3 (4.4-1) 2 1.4 0.3 4.4 1
    HS2014-0.3 (4.55-1.5) 2 1.4 0.3 4.55 1.5
    HS2014-0.3 (4.65-1.5) 2 1.4 0.3 4.65 1.5
    HS2014-0.3 (5.5-1.9) 2 1.4 0.3 5.5 1.9
    HS2014-0.3 (5.7-1.8) 2 1.4 0.3 5.7 1.8
    HS2014-0.3 (8.0-4.6) 2 1.4 0.3 8 4.6
    HS2014-0.3 (8-1.9) 2 1.4 0.3 8 1.9
    HS2015-0.3 (3.25-0.75) 2 1.5 0.3 3.25 0.75
    HS2016-0.3 (2.7-0.7) 2 1.6 0.3 2.7 0.7
    HS2016-0.3 (2.8-0.5) $ 2 1.6 0.3 2.8 0.5
  • 50Ω Katangian ng Impedance-Single Core Round Head
    50Ω Katangian ng Impedance-Single Core Round Head
    Modelo Laki (mm)
    A B C D E
    HS2016-0.3 (3.5-1.2) 2 1.6 0.3 3.5 1.2
    HS2016-0.3 (3.6-1) 2 1.6 0.3 3.6 1
    HS2016-0.3 (3.9-0.4) 2 1.6 0.3 3.9 0.4
    HS2016E 2 1.6 0.3 3.9 0.6
    HS2016-0.3 (4.1-1) 2 1.6 0.3 4.1 1
    HS2016-0.3 (4.2-0.8) 2 1.6 0.3 4.2 0.8
    HS2016-0.3 (4.6-1.2) 2 1.6 0.3 4.6 1.2
    HS2016-0.3 (4.6-1.8) 2 1.6 0.3 4.6 1.8
    Ka2016-0.3 (5-2.9) 2 1.6 0.3 5 2.9
    HS2016-0.3 (5.2-1.8) 2 1.6 0.3 5.2 1.8
    HS2016-0.3 (8.0-4.6) 2 1.6 0.3 8 4.6
    HS2016-0.3 (8-1.8) 2 1.6 0.3 8 1.8
    HS2016-0.3 (12-2.4) 2 1.6 0.3 12 2.4
    HS2016-0.3 (20.4-4.6) 2 1.6 0.3 20.4 4.6
    HS2017-0.3 (3.3-0.8) 2 1.7 0.3 3.3 0.8
    HS2017-0.3 (8.5-2.0) 2 1.7 0.3 8.5 2
    HS2018-0.3 (3.5-1) 2 1.8 0.3 3.5 1
    HS2019-0.3-01 2 1.9 0.3
    HS2020-0.3 (3.4-0.4) $ 2 2 0.3 3.4 0.4
  • 50Ω Katangian ng Impedance-Single Core Round Head
    50Ω Katangian ng Impedance-Single Core Round Head
    Modelo Laki (mm)
    A B C D E
    HS2020-0.3 (3.8-0.8) 2 2 0.3 3.8 0.8
    HS2020-0.3 (5.6-2.8) 2 2 0.3 5.6 2.8
    HS2020-0.3 (5.7-2.9) 2 2 0.3 5.7 2.9
    HS2020-0.3 (6-2) 2 2 0.3 6 2
    HS2020-0.3 (12-5) 2 2 0.3 12 5
    HS2022F 2 2.2 0.3 3.1 0.45
    HS2022-0.3 (3.2-0.7) 2 2.2 0.3 3.2 0.7
    HS2023-0.3 (3.35-0.7) 2 2.3 0.3 3.35 0.7
    HS2023-0.3 (3.7-0.7) 2 2.3 0.3 3.7 0.7
    HS2025-0.3 (4.8-0.9) 2 2.5 0.3 4.8 0.9
    HS2025-0.3 (6-1.5) 2 2.5 0.3 6 1.5
    HS2025-0.38 (7.4-1.4) 2 2.5 0.38 7.4 1.4
    HS2026.5-0.3-01 2 2.6 5 0.3 0.1
    HS2028-0.3 (4.9-0.5) 2 2.8 0.3 4.9 0.5
    HS2029-0.3 (4.1-0.8) 2 2.9 0.3 4.1 0.8
    HS2029-0.3 (4.9-0.5) 2 2.9 0.3 4.9 0.5
    HS2030-0.3 (5.2-1.5) 2 3 0.3 5.2 1.5
    HS2030-0.3 (5.8-1) 2 3 0.3 5.8 1
    HS2030-0.3 (8-2) $ 2 3 0.3 8 2
  • 50Ω Katangian ng Impedance-Single Core Round Head
    50Ω Katangian ng Impedance-Single Core Round Head
    Modelo Laki (mm)
    A B C D E
    HS2030-0.3 (9-1.5) 2 3 0.3 9 1.5
    HS2034-0.3 (4.4-0.7) 2 3.4 0.3 4.4 0.7
    HS2035-0.3 (6.6-1.8) 2 3.5 0.3 6.6 1.8
    HS2035-0.3 (6.65-1.3) 2 3.5 0.3 6.65 1.3
    HS2035-0.3 (7.1-1.3) 2 3.5 0.3 7.1 1.3
    HS2035-0.3 (9.5-3) 2 3.5 0.3 9.5 3
    HS2036-0.3 (5.7-0.7) 2 3.6 0.3 5.7 0.7
    HS2040A 2 4 0.3 5.1 0.8
    HS2045-0.7 (11.5-2) 2 4.5 0.7 11.5 2
    HS2050-0.3 (6.4-0.7) 2 5 0.3 6.4 0.7
    HS2507-0.38 (2.2-0.3) 2.5 0.7 0.38 2.2 0.3
    HS2508-0.38 (1.8-0.3) 2.5 0.8 0.38 1.8 0.3
    HS2508-0.38 (2-0.5) 2.5 0.8 0.38 2 0.5
    HS2510-0.38 (3.6-1.3 ) 2.5 1 0.38 3.6 1.3
    HS2510-0.38 (7-3) 2.5 1 0.38 7 3
    HS2511-0.38 (2..4-0.5) 2.5 1.1 0.38 2.4 0.5
    HS2511-0.38 (3.7-0.6) 2.5 1.1 0.38 3.7 0.6
    HS2512-0.38 (3.1-0.8) 2.5 1.1 0.38 3.7 0.6
    HS4414-0.3 (3.2-1.1) $ 4.4 1.4 0.3 3.2 1.1
  • 50Ω Katangian ng Impedance-Single Core Round Head
    50Ω Katangian ng Impedance-Single Core Round Head
    Modelo Laki (mm)
    A B C D E
    HS2516-0.3 (7.5-2.14) 2.5 1.6 0.3 7.5 2.14
    HS2516-0.3 (8-1.8) 2.5 1.6 0.3 8 1.8
    HS2516-0.38 (3.5-0.7) 2.5 1.6 0.38 3.5 0.7
    HS2516-0.38 (4.1-1.25) 2.5 1.6 0.38 4.1 1.25
    HS2516-0.38 (4.3-1.2) 2.5 1.6 0.38 4.3 1.2
    Ka2511-0.38 (2.7-1.0) 2.5 1.1 0.38 2.7 1
    Ka2516-0.38 (2.9-0.3) 2.5 1.6 0.38 2.9 0.3
    K2516-0.38 (4-1.5) 2.5 1.6 0.38 4 1.5
    HS2516-0.38 (4.5-1.2) 2.5 1.6 0.38 4.5 1.2
    HS2516-0.38 (4.6-1) 2.5 1.6 0.38 4.6 1
    HS2516E 2.5 1.6 0.38 4.6 1.5
    HS2516G 2.5 1.6 0.38 4.6 1.5
    HS2516-0.38 (4.8-1.2) 2.5 1.6 0.38 4.8 1.2
    HS2516-0.38 (4.9-1.5) 2.5 1.6 0.38 4.9 1.5
    HS2516-0.38 (5.1-1.6) 2.5 1.6 0.38 5.1 1.6
    HS2516-0.38 (5.3-1.2) 2.5 1.6 0.38 5.3 1.2
    Ka2516-0.38 (5.6-3.0) 2.5 1.6 0.38 5.6 3
    HS2516-0.38 (6.1-1.3) 2.5 1.6 0.38 6.1 1.3
    HS2516-0.38 (7.1-1.4) $ 2.5 1.6 0.38 7.1 1.4
  • 50Ω Katangian ng Impedance-Single Core Round Head
    50Ω Katangian ng Impedance-Single Core Round Head
    Modelo Laki (mm)
    A B C D E
    HS2516-0.38 (7.41-1.27) 2.5 1.6 0.38 7.41 1.27
    HS2516F 2.5 1.6 0.38 7.45 4.55
    HS2516-0.38-01 2.5 1.6 0.38 7.5 1.3
    HS2516-0.38 (8-1.8) 2.5 1.6 0.38 8 1.8
    RF2516-0.38 (8-4.6) 2.5 1.6 0.38 8 4.6
    HS2516-0.38 (8-5) 2.5 1.6 0.38 8 5
    K2516-0.38 (8-1.5) 2.5 1.6 0.38 8 1.5
    K2516-0.38 (8-5.9) 2.5 1.6 0.38 8 5.9
    HS2516-0.38 (11.6-5) 2.5 1.6 0.38 11.6 5
    HS2516-0.38 (12-2.0) 2.5 1.6 0.38 12 2
    HS2520-0.38 (6-2) 2.5 2 0.38 6 2
    HS2520-0.38 (7.4-1.4) 2.5 2 0.38 7.4 1.4
    HS2520-0.38 (7.8-1.4) 2.5 2 0.38 7.8 1.4
    HS2520-0.38 (9.0-2.0) 2.5 2 0.38 9 2
    HS2520-0.38 (12-5) 2.5 2 0.38 12 5
    HS2520-0.38 (15-2) 2.5 2 0.38 15 2
    HS2524-0.38 (5.7-1.1) 2.5 2.4 0.38 5.7 1.1
    HS2526-0.38 (6.6-2) 2.5 2.6 0.38 6.6 2
    HS2530-0.38 (3.6-0.3) $ 2.5 3 0.38 3.6 0.3
  • 50Ω Katangian ng Impedance-Single Core Round Head
    50Ω Katangian ng Impedance-Single Core Round Head
    Modelo Laki (mm)
    A B C D E
    Ka2530-0.38 (4.6-1.0) 2.5 3 0.38 4.6 1
    HS2530A 2.5 3 0.38 5 1
    HS2530-0.38 (7.5-1.5) 2.5 3 0.38 7.5 1.5
    HS2530-0.38 (8-0.4) 2.5 3 0.38 8 0.4
    HS2530-0.38 (8-2) 2.5 3 0.38 8 2
    HS2530-0.38 (9-3) 2.5 3 0.38 9 3
    HS2530-0.38 (12-2.2) 2.5 3 0.38 12 2.2
    HS2530-0.38 (13.9-8.2) 2.5 3 0.38 13.9 8.2
    HS2530-0.38 (20-4) 2.5 3 0.38 20 4
    HS2533-0.38 (6.5-1.2) 2.5 3.3 0.38 6.5 1.2
    HS2535-0.38 (7.5-2) 2.5 3.5 0.38 7.5 2
    HS2537-0.38 (7.7-2) 2.5 3.7 0.38 7.7 2
    HS2540-0.38 (11-1.8) 2.5 4 0.38 11 1.8
    HS2545-0.38 (8-1.3) 2.5 4.5 0.38 8 1.3
    HS2550-0.38 (6.9-1.5) 2.5 5 0.38 6.9 1.5
    HS2550-0.38 (11-2) 2.5 5 0.38 11 2
    HS2558-0.38 (14.8-6) 2.5 5.8 0.38 14.8 6
    HS2575-0.38 (12-1.3) 2.5 7.5 0.38 12 1.3
    HS2810-0.45 (3.3-0.35) $ 2.8 1 0.45 3.3 0.35
  • 50Ω Katangian ng Impedance-Single Core Round Head
    50Ω Katangian ng Impedance-Single Core Round Head
    Modelo Laki (mm)
    A B C D E
    HS2815-0.45 (5.75-1.25) 2.8 1.5 0.45 5.75 1.25
    HS2816-0.45 (4.6-1.5) 2.8 1.6 0.45 4.6 1.5
    HS2816-0.45 (4.9-1.8) -R 2.8 1.6 0.45 4.9 1.8
    HS2816-0.45 (5.1-1.5) 2.8 1.6 0.45 5.1 1.5
    HS2816-0.45 (5.2-1.1) 2.8 1.6 0.45 5.2 1.1
    HS2816-0.45 (5.4-2) 2.8 1.6 0.45 5.4 2
    HS2816-0.45 (5.6-2) 2.8 1.6 0.45 5.6 2
    HS2816-0.45 (6.2-1.8) 2.8 1.6 0.45 6.2 1.8
    HS2816-0.45 (8.0-4.6) 2.8 1.6 0.45 8 4.6
    HS2816-0.45 (8-1.8) 2.8 1.6 0.45 8 1.8
    HS2816-0.45 (11.6-5) 2.8 1.6 0.45 11.6 5
    HS2816-0.45 (12-3.0) 2.8 1.6 0.45 12 3
    HS2831-0.45 (5.2-1.8) 2.8 3.1 0.45 5.2 1.8
    HS2843-0.45 (8.3-2) 2.8 4.3 0.45 8.3 2
    HS3015-0.5 (4.3-0.8) 3 1.5 0.5 4.3 0.8
    HS3016-0.5 (3.4-0.9) 3 1.6 0.5 3.4 0.9
    HS3016-0.5 (4.6-1) 3 1.6 0.5 4.6 1
    HS3016-0.5 (4.6-1.5) 3 1.6 0.5 4.6 1.5
    HS3016B 3 1.6 0.38 4.9 1.8
  • 50Ω Katangian ng Impedance-Single Core Round Head
    50Ω Katangian ng Impedance-Single Core Round Head
    Modelo Laki (mm)
    A B C D E
    HS3016-0.5 (5.6-2) 3 1.6 0.5 5.6 2
    HS3016C 3 1.6 0.5 6.6 2
    HS3016-0.5 (6.6-2.5) 3 1.6 0.5 6.6 2.5
    HS3016-0.5 (7.5-2) 3 1.6 0.5 7.5 2
    HS3016-0.5 (7.5-3.9) 3 1.6 0.5 7.5 3.9
    HS3016-0.5 (7.8-2.0) 3 1.6 0.5 7.8 2
    HS3016-0.5 (9.65-3.05) 3 1.6 0.5 9.65 3.05
    HS3016-0.5 (12-5.0) 3 1.6 0.5 12 5
    HS3016-0.5 (14.3-1.5) 3 1.6 0.5 14.3 1.5
    HS3020-0.5 (5-1.8) 3 2 0.5 5 1.8
    HS3020-0.5 (6.0-1.5) 3 2 0.5 6 1.5
    HS3020-0.5 (6.5-2.2) 3 2 0.5 6.5 2.2
    HS3020-0.5 (6.5-2.3) 3 2 0.5 6.5 2.3
    HS3020-0.5 (6.8-1.8) 3 2 0.5 6.8 1.8
    HS3020-0.5 (7.5-2.2) 3 2 0.5 7.5 2.2
    HS3020-0.5 (8-2) 3 2 0.5 8 2
    HS3020-0.5 (8.5-2.2) 3 2 0.5 8.5 2.2
    HS3020-0.5 (8.5-4.3) 3 2 0.5 8.5 4.3
    HS3020-0.5 (10-4) 3 2 0.5 10 4
  • 50Ω Katangian ng Impedance-Single Core Round Head
    50Ω Katangian ng Impedance-Single Core Round Head
    Modelo Laki (mm)
    A B C D E
    HS3020-0.5 (10-1.5) 3 2 0.5 10 1.5
    HS3020-0.5 (12-4.0) 3 2 0.5 12 4
    HS3020-0.5 (12-5.0) 3 2 0.5 12 5
    HS3020-0.5 (12-6) 3 2 0.5 12 6
    HS3020-0.5 (15-2) 3 2 0.5 15 2
    HS3025-0.5 (5.4-1.2) 3 2.5 0.5 5.4 1.2
    HS3030A 3 3 0.38 10 1.5
    HS3030-0.5 (6.5-2) 3 3 0.5 6.5 2
    HS3030-0.5 (6.6-1.8) 3 3 0.5 6.6 1.8
    HS3030-0.5 (7.5-2) -R 3 3 0.5 7.5 2
    HS3030-0.5 (8.8-1.8) 3 3 0.5 8.8 1.8
    HS3030-0.5 (10-2) 3 3 0.5 10 2
    HS3030-0.5 (12-3) 3 3 0.5 12 3
    HS3030-0.5 (12-2) 3 3 0.5 12 2
    HS3030-0.5 (14-4.0) 3 3 0.5 14 4
    HS3035-0.5 (6-1) 3 3.5 0.5 6 1
    HS3035-0.5 (11.5-4) 3 3.5 0.5 11.5 4
    HS3040A 3 4 0.5 10.4 4
    HS3042-0.5 (9.0-2.2) $ 3 4.2 0.5 9 2.2
  • 50Ω Katangian ng Impedance-Single Core Round Head
    50Ω Katangian ng Impedance-Single Core Round Head
    Modelo Laki (mm)
    A B C D E
    HS3045-0.5 (8.5-2) 3 4.5 0.5 8.5 2
    HS3047-0.5 (9.4-2.2) 3 4.7 0.5 9.4 2.2
    HS3047-0.5 (12-5.1) 3 4.7 0.5 12 5.1
    HS3050-0.5 (9-2) 3 5 0.5 9 2
    HS3052A 3 5.2 0.5 10.3 4
    HS3057-0.5 (12.5-3) 3 5.7 0.5 12.5 3
    HS3620-0.5 (9-2.5) 3.6 2 0.5 9 2.5
    HS3616-0.6 (12.2-1.6) 3.6 1.6 0.6 12.2 1.6
    HS3625-0.6 (6.5-2) 3.6 2.5 0.6 6.5 2
    HS2540-0.8 (27-5) 2.5 4 0.8 27 5
    HS4030A 4 3 1 10.6 4.6
    HS5010-0.8 (5.9-2.45) 5 1 0.8 5.9 2.45
    HS5015-0.8 (7.3-4.9) 5 1.5 0.8 7.3 4.9
    HS5016B 5 1.6 0.8 5.6 2
    HS5016-0.8 (8.6-3.0) 5 1.6 0.8 8.6 3
    HS5030-0.8 (17.2-2) 5 3 0.8 17.2 2
    HS5040-0.8 (12-3) 5 4 0.8 12 3
    HS5060-0.8 (11.5-2.5) 5 6 0.8 11.5 2.5
    HS5065-0.8 (13.7-3) $ 5 6.5 0.8 13.7 3
  • 50Ω Katangian ng Impedance-Single Core Round Head
    50Ω Katangian ng Impedance-Single Core Round Head
    Modelo Laki (mm)
    A B C D E
    HS5065-0.8 (15.5-3) 5 6.5 0.8 15.5 3
    HS5516-0.9 (8.3-2.8) 5.5 1.6 0.9 8.3 2.8
    HS5516-0.9 (8.5-2.8) 5.5 1.6 0.9 8.5 2.8
    HS5516-0.9 (8.7-2.8) 5.5 1.6 0.9 8.7 2.8
    HS5516-0.9 (8.9-2.8) 5.5 1.6 0.9 8.9 2.8
    HS5516-0.9 (9.1-2.8) 5.5 1.6 0.9 9.1 2.8
    HS5516-0.9 (11.9-2.8) 5.5 1.6 0.9 11.9 2.8
    HS5516-0.9 (12.6-2) 5.5 1.6 0.9 12.6 2
    HS5516-0.9 (13.8-2.8) 5.5 1.6 0.9 13.8 2.8
    HS5525-0.9 (9.7-1.6) 5.5 2.5 0.9 9.7 1.6
    HS5525-0.9 (16-5) 5.5 2.5 0.9 16 5
    HS5530-0.9 (8.8-2.3) 5.5 3 0.9 8.8 2.3
    HS5530-0.9 (9.6-2.3) 5.5 3 0.9 9.6 2.3
    HS5530-0.9 (13.8-2.8) 5.5 3 0.9 13.8 2.8
    HS5530A 5.5 3 1.35 13.5 7.5
    HS5530B 5.5 3 1.35 13.8 7.8
    HS6016-1.0 (8.5-1.5) 6 1.6 1 8.5 1.5
    HS6840-0.9 (7-1.5) 6.8 4 0.9 7 1.5
    HS8330-1.3 (13-5) $ 8.3 3 1.3 13 5
  • 50Ω Characteristic Impedance - Single Core Flat Head
    50Ω Characteristic Impedance - Single Core Flat Head
    Modelo Laki (mm)
    A B C D E
    Ka2008-0.3 (1.4-0.3) 2 0.8 0.3 1.4 0.3
    HS2008-0.3 (1.65-0.35) 2 0.8 0.3 1.65 0.35
    Ka2008-0.3 (1.8-0.3) 2 0.8 0.3 1.8 0.3
    HS2010-0.3 (1.9-0.35) 2 1 0.3 1.9 0.35
    HS2010-0.3 (2-0.5) 2 1 0.3 2 0.5
    HS2010-0.3 (2.5-0.5) 2 1 0.3 2.5 0.5
    HS2013-0.3 (2.4-0.4) 2 1.3 0.3 2.4 0.4
    HS2014-0.3 (2.6-0.4) 2 1.4 0.3 2.6 0.4
    HS2014E 2 1.4 0.3 2.3 0.45
    HS2014F 2 1.4 0.3 2.35 0.5
    HS2016-0.3-01 2 1.6 0.3 3.1 1
    HS2016-0.3 (3.3-0.7) 2 1.6 0.3 3.3 0.7
    HS2016-0.3-02 2 1.6 0.3 3.3 1
    HS2016-0.3 (5.6-2) 2 1.6 0.3 5.6 2
    HS2019-0.3 (3-0.35) 2 1.9 0.3 3 0.35
    HS2020-0.3-02 2 2 0.3 3.5 0.5
    HS2020-0.3 (3.6-0.8) 2 2 0.3 3.6 0.8
    HS2030-0.3 (4.2-0.7) $ 2 3 0.3 4.2 0.7
  • 50Ω Katangian ng Impedance-Single Core Round Head
    50Ω Katangian ng Impedance-Single Core Round Head
    Modelo Laki (mm)
    A B C D E
    HS8740-1.38 (8.4-3.2) 8.7 4 1.38 8.4 3.2
    HS9430-1.5 (9-3) 9.4 3 1.5 9 3
    HS9430-1.5 (11-4) 9.4 3 1.5 11 4
    HS9640-1.5 (9.2-3.2) 9.6 4 1.5 9.2 3.2
    HS10050-1.7 (15-5) 10 5 1.7 15 5
    HS130100-3 (18-4) $ 13 10 3 18 4
  • 50Ω Characteristic Impedance - Single Core Round Tip
    50Ω Characteristic Impedance - Single Core Round Tip
    Modelo Laki (mm)
    A B C D E
    HS2330-0.23 (5.3-0.3) 2.3 3 0.23 5.3 0.3
    HS2815-0.3 (5.2-1.2) 2.8 1.5 0.3 5.2 1.2
    HS2815-0.3 (7.2-1.2) 2.8 1.5 0.3 7.2 1.2
    HS2635-0.3 (7.1-1.3) 2.6 3.5 0.3 7.1 1.3
    HS3822-0.5 (14.4-3.7) 3.8 2.2 0.5 14.4 3.7
    HS3525-0.5 (11.5-6) ​​ 3.5 2.5 0.5 11.5 6
  • 50Ω Characteristic Impedance - Single Core Flat Head
    50Ω Characteristic Impedance - Single Core Flat Head
    Modelo Laki (mm)
    A B C D E
    HS2516-0.38 (5.1-2) 2.5 1.6 0.38 5.1 2
    HS2516-0.38 (7.37-4.5) 2.5 1.6 0.38 7.37 4.5
    HS2517-0.38-01 2.5 1.7 0.38 2.7 0.65
    HS2520-0.38 (3.2-0.5) 2.5 2 0.38 3.2 0.5
    HS2525-0.38-01 2.5 2.5 0.38 3.65 0.65
    HS2530-0.38 (7.5-2.5) 2.5 3 0.38 7.5 2.5
    HS2816-0.45 (4.9-1.8) 2.8 1.6 0.45 4.9 1.8
    HS2816-0.45-01 2.8 1.6 0.45 5 3
    HS2816-0.45 (6-1.5) 2.8 1.6 0.45 6 1.5
    HS3030-0.5 (7.5-2) 3 3 0.5 7.5 2
  • 50Ω Characteristic Impedance - Single Core Flat Round Tip
    50Ω Characteristic Impedance - Single Core Flat Round Tip
    Modelo Laki (mm)
    A B C D E
    HS2006-0.3 (3.1-1.8) 2 0.6 0.3 3.1 1.8
    HS2010-0.3 (3.5-2) 2 1 0.3 3.5 2
    HS2020-0.3-01 2 2 0.3 3.7 0.6
    HS2035-0.3 (6.4-1.8) 2 3.5 0.3 6.4 1.8
    HS2816-0.45 (11.7-7.6) 2.8 1.6 0.45 11.7 7.6
    HS3020-0.5 (10-6.5) 3 2 0.5 10 6.5
    HS3216-0.5 (7.1-4) 3.2 1.6 0.5 7.1 4
    HS6448-1.0 (10.2-3.5) $ 6.4 4.8 1 10.2 3.5
  • Ka2032-0.3 (4.5-1.3)
    Ka2032-0.3 (4.5-1.3)
    Modelo
    KA2032-0.3 (4.5-1.3) $
  • K2010-0.3 (1.05-0.05)
    K2010-0.3 (1.05-0.05)
    Modelo
    K2010-0.3 (1.05-0.05)
  • HS2510-0.3-02
    HS2510-0.3-02
    Modelo
    HS2510-0.3-02
  • HS3520-0.5 (3.4-0.3)
    HS3520-0.5 (3.4-0.3)
    Modelo
    HS3520-0.5 (3.4-0.3) $
  • Ka3216-0.5 (5.85-1.5)
    Ka3216-0.5 (5.85-1.5)
    Modelo
    KA3216-0.5 (5.85-1.5) $
  • K2515-0.38 (2.9-0.3)
    K2515-0.38 (2.9-0.3)
    Modelo
    K2515-0.38 (2.9-0.3) $
  • 2-K482515-0.38 (2.9-0.3)
    2-K482515-0.38 (2.9-0.3)
    Modelo
    2-K482515-0.38 (2.9-0.3) $
  • KW2016-0.3 (0.7-1.6)
    KW2016-0.3 (0.7-1.6)
    Modelo
    KW2016-0.3 (0.7-1.6) $
  • KW2016-0.3 (1-2.2)
    KW2016-0.3 (1-2.2)
    Modelo
    KW2016-0.3 (1-2.2) $
  • KW2025-0.3 (1-2.2)
    KW2025-0.3 (1-2.2)
    Modelo
    KW2025-0.3 (1-2.2) $
  • JPW2040-0.3-01
    JPW2040-0.3-01
    Modelo
    JPW2040-0.3-01
  • KW2018-0.3 (0.95-2.1)
    KW2018-0.3 (0.95-2.1)
    Modelo
    KW2018-0.3 (0.95-2.1) $
  • Non-50Ω Katangian ng Impedance-Single Core Round Tip
    Non-50Ω Katangian ng Impedance-Single Core Round Tip
    Modelo Laki (mm)
    A B C D E
    JD1515-0.4 (5-1.5) 1.5 1.5 0.4 5 5
    JD1615-0.4 (8-1.9) 1.6 1.5 0.4 8 8
    JD1616-0.4 (30-14.2) 1.6 1.6 0.4 30 30
    JD1614-0.45 (11.4-5) 1.6 1.4 0.45 11.4 11.4
    JD1616-0.45 (4.65-1.05) 1.6 1.6 0.45 4.65 4.65
    JD1616-0.45 (16-4) 1.6 1.6 0.45 16 16
    JD1616-0.45 (30-14.2) 1.6 1.6 0.45 30 30
    JD2020-0.45 (6.3-3) 2 2 0.45 6.3 6.3
    JD2020-0.45 (10-4) 2 2 0.45 10 10
    JD1614-0.5 (9-4) 1.6 1.4 0.5 9 9
    JD1616-0.5 (30-14.2) 1.6 1.6 0.5 30 30
    JD1619-0.5 (5.1-2) 1.6 1.9 0.5 5.1 5.1
    HS2015-0.5 (7.5-3) 2 1.5 0.5 7.5 7.5
    JD2016-0.5 (12-5.8) -R 2 1.6 0.5 12 12
    HS2018-0.5 (9.5-1.5) 2 1.8 0.5 9.5 9.5
    HS2018-0.5 (11.5-7.2) 2 1.8 0.5 11.5 11.5
    HS2030-0.5 (10-2) 2 3 0.5 10 10
    JD1919-0.6 (7.9-1.9) -R $ 1.9 1.9 0.6 7.9 7.9
  • Non-50Ω Katangian ng Impedance-Single Core Round Tip
    Non-50Ω Katangian ng Impedance-Single Core Round Tip
    Modelo Laki (mm)
    A B C D E
    HS2040-0.6 (6-1) 2 4 0.6 6 1
    JD1818-0.7 (10-6) 1.8 1.8 0.7 10 6
    JD1818-0.7 (22.2-0.4) 1.8 1.8 0.7 22.2 0.4
    HS2016-0.7 (4.6-1.5) 2 1.6 0.7 4.6 1.5
    HS2016-0.7 (6.3-1.5) 2 1.6 0.7 6.3 1.5
    HS2016-0.7 (7.1-1.5) -R 2 1.6 0.7 7.1 1.5
    HS2016-0.7 (7.6-1.5) 2 1.6 0.7 7.6 1.5
    HS2016-0.7 (9.6-4) 2 1.6 0.7 9.6 4
    K2016-0.7 (11-4.6) 2 1.6 0.7 11 4.6
    HS2016-0.7 (11.6-5) 2 1.6 0.7 11.6 5
    HS2016-0.7 (17-15.1) 2 1.6 0.7 17 15.1
    HS2016-0.7 (20-0.3) 2 1.6 0.7 20 0.3
    HS2017-0.7 (9.7-3) 2 1.7 0.7 9.7 3
    HS2035-0.7 (13-3) 2 3.5 0.7 13 3
    HS2020-0.75 (12-4) 2 2 0.75 12 4
    HS2015-0.8 (6.5-3) 2 1.5 0.8 6.5 3
    JD2015-0.8 (10.5-3) 2 1.5 0.8 10.5 3
    JD2063-0.5 (10.3-2) $ 2 6.3 0.5 10.3 2
  • Non-50Ω Katangian ng Impedance-Single Core Round Tip
    Non-50Ω Katangian ng Impedance-Single Core Round Tip
    Modelo Laki (mm)
    A B C D E
    JD2518-0.8 (12.8-5) 2.5 1.8 0.8 12.8 5
    JD2520-0.8 (14-4) 2.5 2 0.8 14 4
    JD2540-0.8 (10-4) 2.5 4 0.8 10 4
    JD3218-0.8 (51.8-20) 3.2 1.8 0.8 51.8 20
    JD2530-0.9 (6.6-1.8) 2.5 3 0.9 6.6 1.8
    JD2540A 2.5 4 0.8 10 4
    JD2816-1 (6.6-2) 2.8 1.6 1 6.6 2
    K2816-1.0 (16-10) 2.8 1.6 1 16 10
    JD3218-1 (27-15) 3.2 1.8 1 27 15
    JD3015-1.3 (10.2-6.1) 3 1.5 1.3 10.2 6.1
    JD3015-1.3 (10.5-3) 3 1.5 1.3 10.5 3
    JD3430-1.4 (10.5-4.5) 3.4 3 1.4 10.5 4.5
    JD12940-1.7 (10-3) 12.9 4 1.7 10 3
    JD3916-2 (6.6-2) 3.9 1.6 2 6.6 2
  • Non-50Ω katangian impedance-single core flat head
    Non-50Ω katangian impedance-single core flat head
    Modelo Laki (mm)
    A B C D E
    JD1510-0.3-01 1.5 1 0.3 5.5 1.5
    JD1315-0.35-01 1.3 1.5 0.35 3.5 0.3
    JD1515-0.4 (4.5-0.5) 1.5 1.5 0.4 4.5 0.5
    JD1516-0.4-01 1.5 1.6 0.4 14.6 1
    JD1615-0.5 (7-0.5) 1.6 1.5 0.5 7 0.5
    JD1619-0.5 (8.7-3) 1.6 1.9 0.5 8.7 3
    JD1619-0.5 (10.3-4.6) 1.6 1.9 0.5 10.3 4.6
    JD2016-0.5 (4.5-0.6) 2 1.6 0.5 4.5 0.6
    JD2016-0.5 (12-5.8) 2 1.6 0.5 12 5.8
    JD2020-0.5-01 2 2 0.5 5.2 0.5
    JD2044-0.5 (6.3-0.4) 2 4.4 0.5 6.3 0.4
    JD1919-0.6 (7.9-1.9) 1.9 1.9 0.6 7.9 1.9
    RF2010-0.7 (6.0-3.0) 2 1 0.7 6 3
    JD2015-0.8 (6.5-3) 2 1.5 0.8 6.5 3
    RF2016-0.8 (6.6-4.5) 2 1.6 0.8 6.6 4.5
    JD2816-1 (10.3-4.9) $ 2.8 1.6 1 10.3 4.9
  • Non-50Ω katangian impedance-single core flat round tip
    Non-50Ω katangian impedance-single core flat round tip
    Modelo Laki (mm)
    A B C D E
    RF1515-0.38 (2.9-0.3) 1.5 1.5 0.38 2.9 0.3
    JD1614-0.5 (17.9-0.5) 1.6 1.4 0.5 17.9 0.5
    JD1615-0.5 (9-2.5) 1.6 1.5 0.5 9 2.5
    JD2016-0.7 (8.1-4.5) 2 1.6 0.7 8.4 4.5
    JD2040-0.6 (10-4.5) 2 4 0.6 10 4.5
    JD2016-0.7 (9.1-2.5) 2 1.6 0.7 9.1 2.5
    JD2035-0.7 (22-3) $ 2 3.5 0.7 22 3
  • Non -50Ω Characteristic Impedance - Uri ng ulo ng kuko
    Non -50Ω Characteristic Impedance - Uri ng ulo ng kuko
    Modelo Laki (mm)
    A B C D E F G
    JD1616-0.45 (4.2-1.5) 1.4 1.5 4.2 0.45 1.6 0.8 0.3
    JD1614-0.45 (6.2-0.8) 1.4 0.8 6.2 0.45 1.6 0.8 0.3
    JD1614-0.45 (6.9-1.5) 1.4 1.5 6.9 0.45 1.6 0.8 0.2
    JD1620-0.45 (7-1) 2 1 7 0.45 1.6 1 0.3
    JD1630-0.5 (7.5-0.5) 3 0.5 7.5 0.5 1.6 0.6 0.2
    JD1630-0.5 (10.5-0.5) 3 0.5 10.5 0.5 1.6 0.6 0.2
    JD1816-0.5 (20-0.5) 1.6 0.5 20 0.5 1.8 0.7 0.3
    JD2020B 2 2 0.6 5.7 1
  • JP2016-0.7 (7.1-1.5)
    JP2016-0.7 (7.1-1.5)
    Modeloo
    JP2016-0.7 (7.1-1.5)

    Modeloo Laki (mm)
    A B C D E F G
    JD1614-0.45 (6.9-1.5) -R 1.4 1.5 6.9 0.45 1.6 0.8 0.2
    JD1630-0.5 (7.5-0.5) -R $ 3 0.5 7.5 0.5 1.6 0.6 0.2
  • Non -50Ω Characteristic Impedance - Uri ng ulo ng kuko
    Non -50Ω Characteristic Impedance - Uri ng ulo ng kuko
    Modelo Laki (mm)
    A B C D E F G
    JD1614-0.45 (6.9-1.5) -R 1.4 1.5 6.9 0.45 1.6 0.8 0.2
    JD1630-0.5 (7.5-0.5) -R $ 3 0.5 7.5 0.5 1.6 0.6 0.2
  • JD1516-0.4-02
    JD1516-0.4-02
    Modelo
    JD1516-0.4-02
  • RF1816-0.8 (6.6-4.5) -2
    RF1816-0.8 (6.6-4.5) -2
    Modelo
    RF1816-0.8 (6.6-4.5) -2 $
  • 2-RF281515-0.38 (2.9-0.3)
    2-RF281515-0.38 (2.9-0.3)
    Modelo
    2-RF281515-0.38 (2.9-0.3) $
  • 2-RF301516-0.5 (5.85-1.5)
    2-RF301516-0.5 (5.85-1.5)
    Modelo
    2-RF301516-0.5 (5.85-1.5) $
  • JD301520-0.5-01
    JD301520-0.5-01
    Modelo
    JD301520-0.5-01
  • JD301515-0.5-01
    JD301515-0.5-01
    Modelo
    JD301515-0.5-01 $
  • JD201315-0.35-01
    JD201315-0.35-01
    Modelo
    JD301515-0.5-01 $
  • JD271516-0.4-02
    JD271516-0.4-02
    Modelo
    JD271516-0.4-02 $
  • JD271516-0.4-01
    JD271516-0.4-01
    Modelo
    JD271516-0.4-01 $
  • JD2615-0.35-01
    JD2615-0.35-01
    Modelo
    JD2615-0.35-01 $
  • 3-RF411515-0.38 (2.9-0.3)
    3-RF411515-0.38 (2.9-0.3)
    Modelo
    3-RF411515-0.38 (2.9-0.3) $
  • 3-RF421516-0.5 (5.85-1.5)
    3-RF421516-0.5 (5.85-1.5)
    Modelo
    3-RF421516-0.5 (5.85-1.5) $
  • JD261516-0.3-01
    JD261516-0.3-01
    Modelo
    JD261516-0.3-01
  • JD391516-0.4-01
    JD391516-0.4-01
    Modelo
    JD391516-0.4-01
  • JD2815-0.35-01
    JD2815-0.35-01
    Modelo
    JD2815-0.35-01 $
  • RF3416-0.8 (6.6-4.5) -4
    RF3416-0.8 (6.6-4.5) -4
    Modelo
    RF3416-0.8 (6.6-4.5) -4 $
  • 4-RF3416-0.5 (5.85-1.5)
    4-RF3416-0.5 (5.85-1.5)
    Modelo
    4-RF3416-0.5 (5.85-1.5) $
  • JD341315-0.35-01
    JD341315-0.35-01
    Modelo
    JD341315-0.35-01
  • JD272716-0.4-01
    JD272716-0.4-01
    Modelo
    JD272716-0.4-01 $
  • JD511516-0.4-01
    JD511516-0.4-01
    Modelo
    JD511516-0.4-01 $
  • JD2016-0.3-01
    JD2016-0.3-01
    Modelo
    JD2016-0.3-01
  • JD3115-0.35-01
    JD3115-0.35-01
    Modelo
    JD3115-0.35-01
  • JD631516-0.4-01
    JD631516-0.4-01
    Modelo
    JD631516-0.4-01 $
  • RF1816-0.8 (6.6-4.5) -6
    RF1816-0.8 (6.6-4.5) -6
    Modelo
    RF1816-0.8 (6.6-4.5) -6 $
  • 6-RF811515-0.5 (0.5-8.2)
    6-RF811515-0.5 (0.5-8.2)
    Modelo
    6-RF811515-0.5 (0.5-8.2) $
  • 6-RF821515-0.5 (5.5-2.5)
    6-RF821515-0.5 (5.5-2.5)
    Modelo
    6-RF821515-0.5 (5.5-2.5) $
  • JD501516-0.4-01
    JD501516-0.4-01
    Modelo
    JD501516-0.4-01 $
  • JD811520-0.5-0.1
    JD811520-0.5-0.1
    Modelo
    JD811520-0.5-0.1 $
  • 7-RF941515-0.5 (5.5-2.5)
    7-RF941515-0.5 (5.5-2.5)
    Modelo
    7-RF941515-0.5 (5.5-2.5) $
  • JD1201515-0.5-01
    JD1201515-0.5-01
    Modelo
    JD1201515-0.5-01
  • JMC-265-JH
    JMC-265-JH
    Modelo
    JMC-265-JH $
  • JD1201515-0.5-02
    JD1201515-0.5-02
    Modelo
    JD1201515-0.5-02 $
  • RF1816-0.8 (6.6-4.5) -9
    RF1816-0.8 (6.6-4.5) -9
    Modelo
    RF1816-0.8 (6.6-4.5) -9 $
  • JYZ22-0.45-01
    JYZ22-0.45-01
    Modelo
    JYZ22-0.45-01
  • Non-50Ω katangian impedance-multi-core
    Non-50Ω katangian impedance-multi-core
    Modelo Laki (mm)
    A B C D E F G H Isang pull-through hilera Pagwawakas
    JD156018-0.3 (27.2-0.8) -8 27.2 0.8 1.4 6 1.8 0.6 0.3 0 8 1 Panloob na conductor upper bonding
    JD151152-0.3 (4.5-1.5) -9 4.5 1.5 1.5 11.5 2 1.27 0.3 0 9 1 Paghihinang
    2-JD162020-0.3 (5-1.7) -4 A1 = 5
    A2 = 3.6
    B1 = 1.7
    B2 = 1
    1.6 2 2 0.57 0.3 0.57 4 2 Flat bonding sa magkabilang panig ng mga panloob na conductor
    2-JD162020-0.3 (7.6-1.7) -4 A1 = 7.6
    A2 = 3.6
    B1 = 1.7
    B2 = 1
    1.6 2 2 0.57 0.3 0.56 4 2 Ang Flat bonding sa magkabilang panig ng panloob na conductor ay nagtatapos
    JD158215-0.38 (7-0.8) -6 7 0.8 1.5 8.2 1.5 1.27 0.38 0 6 1 Mataas na kuko ng ulo ng mukha ng bonding
    JD153015-0.38 (8-1.9) -2 8 1.9 1.5 3 1.5 1.27 0.38 0 2 1 Welded
    2-JD162525-0.38 (10.6-3.5) -4 10.6 3.5 1.6 2.5 2.5 0.71 0.38 0.71 4 2 Paghihinang
    2-JD187425-0.38 (3.8-1) -16 A1 = 3.8
    A2 = 5.2
    B1 = 1
    B2 = 1.7
    1.8 7.4 2.5
    4
    0.88 0.38 1.02 16 2 Ang panloob na conductor ay nagtatapos ng flattened at nakagapos sa mga patagilid
    JD1510516-0.45 (7.5-2) -8 7.5 2 1.5 10.5 1.6 1.27 0.45 0 8 1 Paghihinang
    JD155515-0.5 (5.7-1.7} -4 5.7 1.7 1.5 5.5 1.5 1.27 0.5 0 4 1 Ang panloob na conductor sa itaas na bahagi ay nag -flattened bonding
    JD1512015-0.5 (5.8-2.5) -9 5.8 2.5 1.5 12 1.5 1.27 0.5 0 9 1 Ang mas mababang panloob na conductor na flattened side bonding
    JD153015-0.5 (7-0.5) -2 7 0.5 1.5 3 1.5 1.27 0.5 0 2 1 Ang bonding ng panloob na conductor ay nagtatapos sa $
  • Non-50Ω katangian impedance-multi-core
    Non-50Ω katangian impedance-multi-core
    Modelo Laki (mm)
    A B C D E F G H Isang pull-through hilera Pagwawakas
    JD153815-0.5 (7.7-1.2) -2 7.7 1.2 1.5 3.8 1.5 2.1 0.5 0 2 1 Ang panloob na conductor sa itaas na bahagi ay nag -flattened bonding
    JD153015-0.5 (13.5-4) -2 13.5 4 1.5 3 1.5 1.27 0.5 0 2 1 Pag -welding
    JD1613215-0.5 (10.6-2) -10 10.6 2 1.6 13.2 1.5 1.27 0.5 0 10 1 Paghihinang
    JD302915-0.5 (8-1) -2 8 1 3 2.9 1.5 1.27 0.5 0 2 1 Panloob na conductor upper bonding
    2-JD165528-0.5 (7.6-1) -8 7.6 1 1.6 5.5 2.8 1.07 0.5 0 8 2 Panloob na conductor upper bonding
    2-JD154330-0.5 (5.8-2) -5 Al = 5.8
    A2 = 5.1
    B1 = 2
    B2 = 1.3
    1.5 4.3 3 1.27 0.5 1.5 5 2 Ang panghinang sa itaas na bahagi ay nag -flattening
    2-JD156830-0.5 (5.8-2) -9 Al = 5.8
    A2 = 5.1
    B1 = 2
    B2 = 1.3
    1.5 6.8 n 1.27 0.5 1.5 6 2 Weld flattening ng panloob na conductor sa itaas na bahagi
    2-JD1512030-0.5 (9.3-2.8) -18 A1 = 9.3
    A2 = 8
    B1 = 2.8
    B2 = 1.5
    1.5 12 3 1.27 0.5 1.5 18 2 Pag -welding Flattening of inner conductor ends
    3-JD155545-0.5 (9.5-4) -12 Al = 9.5
    A2 = 7.5
    A3 = 5.5
    B1 = 4
    B2 = 3
    B3 = 2
    1.5 5.5 4.5 1.27 0.5 1.5 12 3 Paghihinang
    2-JD207015-0.6 (7-3) -10 A1 = 7
    A2 = 6
    B1 = 3
    B2 = 2
    2 7 1.5 1.27 0.6 1.5 10 2 Ang panloob na conductor ay nag -flatten at nakagapos sa magkabilang panig
    2-JD3012230-0.6 (10.8-5) 18 10.8 5 3 12.2 3 1.27 0.6 1.5 18 2 Mas mababang panloob na conductor side na flattened bonding $
  • JYZ22-0.45-02
    JYZ22-0.45-02
    Modelo
    JYZ22-0.45-02

Makipag -ugnay

Magsumite ng
Tungkol sa amin
Ningbo Hanson Communication Technology Co, Ltd.
Ningbo Hanson Communication Technology Co, Ltd.
Ningbo Hanson Communication Technology Co., Ltd. is China RF Glass Insulator Supplier and Custom RF Glass Insulator Company. We are a manufacturer specializing in the production, processing, and trade of communication components, with more than 30 years of experience in RF coaxial connectors, adapters, and cable assemblies. Ang kumpanya ay nakabuo na ngayon ng sariling machining workshop, electroplating workshop, pagpupulong ng pagpupulong, at isang pangkat ng matatag at maaasahang mga supplier. Ang layunin ng kumpanya ay upang magbigay ng mga customer ng mga de-kalidad na produkto. Ang mga pangunahing produkto ay mga RF coaxial connectors, adapter, high-frequency cable assembly, at mababang intermodulation cable assembly. Bilang karagdagan, ang kumpanya ay maaari ring magbigay ng mga serbisyo para sa mga customer na may pasadyang mga pangangailangan upang matugunan ang mga espesyal na kinakailangan ng mga customer para sa mga produkto. Ang mga produkto ng kumpanya ay malawakang ginagamit sa aerospace, mga istasyon ng base ng komunikasyon, kagamitan sa medikal, at iba pang mga high-tech na patlang. Sa oras ng reporma sa negosyo, pagbabago, pag -unlad, at paglago, kinuha ng kumpanya ang inisyatibo upang sumali sa ISO9001 International Quality Management System at patuloy na pinabuting antas ng pamamahala upang magbigay ng mas kasiya -siyang mga produkto at serbisyo sa mga bago at lumang mga customer.
Pinakabagong balita
Naghahanap ng pagkakataon sa negosyo?

Humiling para sa isang tawag ngayon